Description
Chain Couplings
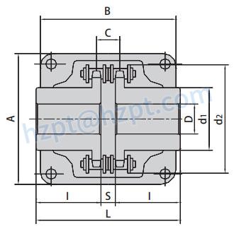
The chain coupling is composed of a duplex roller chain and a pair of coupling sprockets. The function of connection and detachment is done by the joint of the chain. It has the characteristic of being compact and powerful, excellent durability, safe and smart, simple installation and easy alignment. The chain coupling is suitable for a wide range of coupling applications.

Parameters of Chain Couplings

| Chain Coupling No. | Chain No. | Bore Dia | Dimension | Inertia | Approx Weight | Casing | ||||||||
| Min | Max | L | I | S | d1 | d2 | C | ×10-3 | Dimension | Approx Weight | ||||
| A | B | |||||||||||||
| mm | mm | mm | mm | mm | mm | mm | mm | kgf·m2 | kg | mm | mm | kg | ||
| 3012 | 06B-2X12 | 12 | 16 | 64.8 | 29.8 | 5.2 | 25 | 45 | 10.2 | 0.233 | 0.4 | 69 | 63 | 0.3 |
| 4012 | 40-2X12 | 12 | 22 | 79.4 | 36.0 | 7.4 | 35 | 61 | 14.4 | 1.020 | 0.8 | 77 | 72 | 0.3 |
| 4014 | 40-2X14 | 12 | 28 | 79.4 | 36.0 | 7.4 | 43 | 69 | 14.4 | 1.924 | 1.1 | 84 | 75 | 0.4 |
| 4016 | 40-2X16 | 14 | 32 | 87.4 | 40.0 | 7.4 | 50 | 77 | 14.4 | 3.285 | 1.4 | 92 | 75 | 0.4 |
| 5014 | 50-2X14 | 16 | 35 | 99.7 | 45.0 | 9.7 | 53 | 86 | 18.1 | 6.010 | 2.2 | 101 | 85 | 0.5 |
| 5016 | 50-2X16 | 16 | 40 | 99.7 | 45.0 | 9.7 | 60 | 96 | 18.1 | 9.720 | 2.7 | 111 | 85 | 0.6 |
| 5018 | 50-2X18 | 16 | 45 | 99.7 | 45.0 | 9.7 | 70 | 106 | 18.1 | 15.420 | 3.8 | 122 | 85 | 0.8 |
| 6018 | 60-2X18 | 20 | 56 | 123.5 | 56.0 | 11.5 | 85 | 128 | 22.8 | 40.210 | 6.2 | 142 | 106 | 1.2 |
| 6020 | 60-2X20 | 20 | 60 | 123.5 | 56.0 | 11.5 | 98 | 140 | 22.8 | 62.870 | 7.8 | 158 | 105 | 1.6 |
| 6022 | 60-2X22 | 20 | 71 | 123.5 | 56.0 | 11.5 | 110 | 152 | 22.8 | 93.450 | 10.4 | 168 | 117 | 1.8 |
| 8018 | 80-2X18 | 20 | 80 | 141.2 | 63.0 | 15.2 | 110 | 170 | 29.3 | 142.030 | 12.7 | 190 | 129 | 2.5 |
| 8020 | 80-2X20 | 20 | 90 | 145.2 | 65.0 | 15.2 | 120 | 186 | 29.3 | 204.900 | 16.0 | 210 | 137 | 2.9 |
| 8022 | 80-2X22 | 20 | 100 | 157.2 | 71.0 | 15.2 | 140 | 202 | 29.3 | 341.170 | 20.2 | 226 | 137 | 3.6 |
| 10020 | 100-2X20 | 25 | 110 | 178.8 | 80.0 | 18.8 | 160 | 233 | 35.8 | 646.290 | 33.0 | 281 | 153 | 4.6 |
| 12018 | 120-2X18 | 35 | 125 | 202.7 | 90.0 | 22.7 | 170 | 256 | 45.4 | 1075.710 | 47.0 | 307 | 181 | 6.2 |
| 12022 | 120-2X22 | 35 | 140 | 222.7 | 100.0 | 22.7 | 210 | 304 | 45.4 | 2454.500 | 72.0 | 357 | 181 | 8.0 |
What Are Chain Couplings?
Chain couplings are mechanical devices for connecting two shafts. They consist of two rows of roller chains with sprockets that engage them. The shafts are then cranked to move the coupling. Chain couplings are available in a range of sizes and torque capacities.
Chain couplings are all steel and compact for space-constrained applications. They transmit high torques and offer positive power transmission. Unlike conventional couplings, chain couplings require less space and are easily installed and dismantled. They also provide a balanced unit operation, which is essential for high torques. Chain couplings are typically used in low-speed, high torque applications. They also offer a high degree of flexibility and allow for misalignment of up to 2 degrees between the shafts.
Advantages of a Chain Coupling
A chain coupling is a type of transmission system that uses a single common chain, meshing with two parallel sprockets to transfer power from one shaft to the other. A chain coupling comes in various varieties, including roller chain coupling, toothed chain coupling, and nylon chain coupling. The benefits of a chain coupling include its simplicity, reliability, and low installation accuracy. A chain coupling is a common option for shafting transmission applications, especially in low-speed, high-torque applications.
One of the most important advantages of chain couplings is their high-torque capability. Because they are made of two flanges linked by a duplex roller chain, they are ideal for high-torque applications. They can accommodate up to 2 degrees of misalignment, which makes them a common choice for applications that require high torque. Another advantage of chain couplings is their ease of installation and low-maintenance requirements.
Besides being easy to assemble, a chain coupling also keeps the two shafts perfectly aligned. It also minimizes shock and vibrations during power transmission. It should also have a low-profile design and be easy to fit between two shafts. And, of course, it should be able to transmit power from one shaft to the other. These features are essential for high-speed applications.

HZPT, one of the professional coupling manufacturers that you can rely on, can offer high-durability China chain couplings at reasonable prices! Feel free to contact us!
Applications of Chain Couplings
Chain couplings are usually employed in low to moderate-speed, high-torque applications and are not often found in higher-speed applications where grid, gear, and other more sophisticated couplings predominate. They are considered to be fairly rugged and easy to install. Typical applications include line-shaft couplings on live-roller conveyors. Here, the plastic chain provides a lubrication-free coupling solution that requires neither covers for lubricant retention nor coupling guards because the smooth outer surface of the chain presents no catch hazards.
For standard power transmission applications, chain couplings can be purchased in a range of shaft sizes and torque capacities, with typical bore diameters up to 4-1/2 in. and torque capacities up to 220,000 in.-lbs. available. Allowable angular misalignment is usually a maximum of 1° and parallel misalignment is usually limited to 2% of the chain pitch. Sometimes these allowances are decreased for installations that operate at higher speeds.
Sprockets are sized in two-tooth intervals to correspond to the roller chain links, with pitches based on ANSI standards (i.e., #40, #60, #80). Ordinarily, the manufacturer will select the appropriate sprocket size and pitch for the given torque requirements, but knowing the pitch of the sprocket makes it possible to select an appropriate replacement chain.

How to Install a Roller Chain Coupling?
Ever-power chain couplings feature a unique single-pin design that greatly simplifies the installation process. Simply follow these simple steps.
- Install the oil seal on each hub
- Adjust the alignment of the shaft and coupling assembly
- Adjust the distance between the sprocket faces
- Thoroughly lubricate the coupling chain
- Install the chain to the coupling using the single pin coupling ring
- Firmly close and secure the coupling cover (optional, depending on operating conditions)
The chain coupling installation process is simpler and faster than conventional rigid couplings.

Application


About HZPT
HZPT is a professional coupling equipment R&D manufacturer. The company covers an area of 55 mu, with a production workshop of 12,000 square meters. It has strong technical force, advanced technology, more than 20 years of manufacturing experience, 108 sets of production equipment, and complete supporting equipment such as lathes, punching machines, carbon dioxide welding machines, oxygen welding, cutting machines, coating equipment, shearing and folding. It has strong processing capabilities, strong production capabilities, and strong product durability. The company has passed ISO9001 quality management system certification. The company adheres to the corporate purpose of “establishing a business with integrity, innovative development, excellent brand, and strong growth with strength”, implements the quality policy of “full participation, excellence, excellent quality, and customer satisfaction”, and follows the business strategy of “sufficient market, technological innovation, continuous people-oriented, and sustainable development”. Steadily enhance the core competitiveness of the enterprise and wholeheartedly create value for customers and society. Quality is the life of the product, and reputation is the life of the enterprise. Qualified products are not the standard, but customer satisfaction is the purpose!





